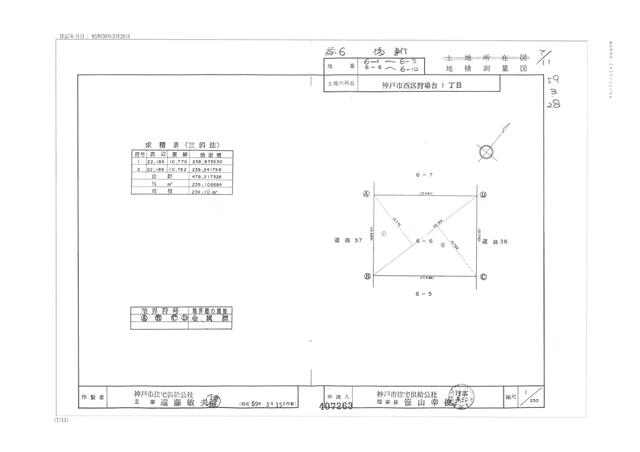
神戸市西区狩場台1丁目の売地
価格
3350
万円
所在階
-
土地図